
ZS减速机是三级渐开线圆柱齿轮减速器,是按国家专业标准生产的外啮合渐开线斜齿圆柱齿轮减速器。ZS减速机的齿轮采用高强度低碳合金钢经渗碳淬火而成,齿面硬度达HRC58-62,齿轮均采用数控磨齿工艺,精度高,接触性好;传动率高;运转平稳,噪音低;使用寿命长,承载能力高;易于拆检,易于安装。 ZS减速机它们主要用于矿山、冶金、水泥、建筑、化工、轻工等各种机械设备的机械传动,高速轴转速不超过1500r/

ZSSH减速机它们主要用于矿山、冶金、水泥、建筑、化工、轻工等各种机械设备的机械传动,高速轴转速不超过1500r/min,齿轮圆周速度不大于18m/s,工作环境为–40℃~+40℃,可正反转运行。

ZQH减速机系列装置拥有一种高速和低速的结构,是现代工业自动化中不可缺少之一的重要机械设备之一。它凭借其卓越的性能表现,已经广泛应用于机械加工、制造、包装、食品、制药及化工等行业领域,其应用价值得到了高度的认可和重视。设计和技术 ZQH减速机具有出色的结构设计和完美的制造工艺,它是优秀的减速机械的代表之一。其设计考虑到了对用户的便捷性和繁忙的生产工作环境,设备设计简单,使用方便,安全可靠。 作

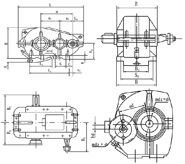
ZQH减速机是圆弧圆柱齿轮减速器适用于建材、起重、运输、冶金、化工和轻工等行业。高速轴转速不超过1500r/min,齿轮圆周速度不大于12m/s,效率不低于0.94,工作环境为-40℃—+40℃,可正反转运行。ZQH减速机机型按中心距分为:250、350、400、500、650、750、850、1000共8种。ZQH减速机型号标记示例:ZQH减速机的外形尺寸型号中心距中心高H0最大外形尺寸轴端尺寸

PJ减速机作为一种专业化的机械传动设备,可以提供可靠的动力传输解决方案,它的结构紧凑,运行效率高,且具有良好的耐用性和可靠性。在冶金、重型机械、石油化工等行业中得到广泛应用,其需要定期维护和保养以延长其寿命和提高效率。

PJ减速机是由ZQ型减速机而研制的。它的工作条件、型式、齿轮参数、外形尺寸和安装尺寸与ZQ型减速机完全相同,可参照ZQ型减速机有关图表。其中齿轮轴和齿轮的材料改为合金钢,大齿轮为调质状态,齿轮轴和小齿轮为表面淬火状态,即淬硬-调扭副。 PJ型齿轮减速机具有机械性能好、工作可靠、维修方便过载能力强、耐冲击、惯性力矩小等特点。适用于起重、运输、冶金、矿山、建筑、化工、纺织等行业。型号标记:PJ减速机总

ZQD减速机属于硬齿面减速机,是由电机、变速机构和减速机构三部分组成的一种动力传递装置。它的主要作用就是将电机输出的高速运动转换为扭矩大、转速低的输出轴,以满足机器的工作需求。

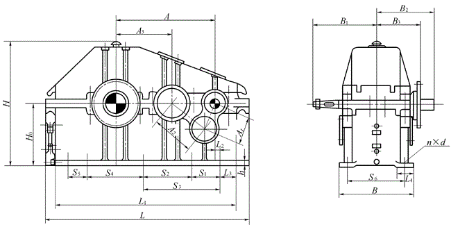
ZQD减速机是由ZQ型减速机诞生而来的;在ZQ型二级传动的基础上,增加一级变成三级减速机,扩大了减速机的传动比,其工作条件、装配型式与ZQ型减速机基本相同。ZQD减速机增加的高速级在下方、平底结构,有ZQD400、ZQD500、ZQD650、ZQD850和ZQD1000五个规格。ZQD减速机标记示例:ZQD减速机,名义中心距(即原ZQ型中心距)A=1000mm,公称传动比i=200,第3种装配型式

JZQ减速机以其强悍耐用的性能、广泛的应用领域、适应不同工作条件、具备出色的安全性和高效节能的表现,成为了工业界备受关注的一款减速器。对于生产厂家和用户来说,选择JZQ减速机将会是一个明智而正确的选择。

JZQ减速机应用范围及结构概况1、应用范围及优点: JZQ减速机广泛应用于各种起重、运输、矿山机械及其它各种机械中作减速之用。其联动方式,可用联轴器直接联动,也可用三角皮带挠性联动。本机通用性和互换性强,维修简单,效率系数为0.94,具有起动阻力小,运动灵活等优点。2、结构概况及主要零部件: JZQ减速机结构型式为两级三轴圆柱斜齿水平分割全封式。润滑油盛于减速机之内部,在主动轴和中间轴上设有挡

PM减速机是渐开线圆柱齿轮减速器。适用于建材、起重、运输、冶金、化工和轻工等行业。高速轴转速不超过1500r/min,齿轮圆周速度不大于12m/s,效率不低于0.94,工作环境为-40℃—+40℃,可正反转运行。

ZSC减速机 是一种高效而可靠的传动机构,采用齿轮传动原理,是一种机械减速装置,能够降低电动机的转速并提供巨大的扭矩输出,配合电动机可以达到不同的功率。而且 ZSC减速机 形状小巧、噪音小、寿命长、易维护。 还具有结构简单、动力平稳、传动比范围宽、传动效率高等特点。

ZSC减速机(立式轴装)是三级传动的渐开线圆柱齿轮减速器,主要用于矿山,冶金,水泥,建筑,化工,轻工,等各种机械设备的减速传动,适合受结构限制采用立式安装的工作场合,高速轴转速不超过1500r/min,工作环境为-40℃—+40℃,可正反转运行。

ZSC(A)减速机采用先进的技术和制造工艺,以精准的质量管理和完善的售后服务著称。该减速机具有结构紧凑、重量轻、使用寿命长等优点,适用于各种工业生产领域。

ZSC(A)减速机为立式套装式渐开线圆柱齿轮减速机,主要用于矿山,冶金,水泥,建筑,化工,轻工,等各种机械设备的减速传动,适合受结构限制采用立式安装的工作场合,高速轴转速不超过1500r/min,工作环境为-40℃—+40℃,可正反转运行。

PM减速机是由主轴、输出轴、减速机箱、磁粉离合器、磁粉制动器和磁粉离合器传动部分组成的减速机。通过电磁力的作用,控制磁粉离合器的密合程度,从而控制输出轴的转速和转矩。其优势在于体积小、重量轻、精度高、噪音低、扭矩大、传动效率高等特点。

QY起重机减速机是一种重要的机械传动装置,是起重机等机械设备的核心部件。它具有很多优点,包括传动比大、扭矩输出平稳、功率传递效率高、结构紧凑、运行平稳、散热效果好、维护保养方便等,被广泛应用于各种起重场所、矿山、机械设备等行业中。在使用时,需注意使用方法及维护保养,以确保其长期的运行效率。

QY系列起重机减速机性能特点 考虑起重机各机械的工作特点,传动比范围,进一步提高产品性能,采用较少规格满足用户多方面的要求,其特点为: 1 承载能力高、齿轮采用渗碳、淬火、磨齿加工、承载能力比调质滚齿的软齿面和中硬齿面齿轮减速器有大幅度提高。 2 体积小、重量轻、与软齿面和中硬齿面减速器相比,相同承载能力减速器可降低2~4个相当机座号。 3 效率高、噪声低、振动小。采用磨齿加工提高了精度等

QJ起重机减速机是一种高效率、高精度、高安全性、高可靠性的工业减速设备,广泛应用于起重、输送、矿山、石油、化工、食品、烟草、冶金、医药、医疗等诸多行业中,在大型起重、运输及向各种机械设备动力传动装置中都得到了广泛的应用。

QJ系列起重机减速机特点 起重机减速机因为是间歇式、周期重复工作。减速机发热相对连续型工作的要好些,但是经常起制动惯性载荷较大。因此轮齿的弯曲强度的安全系数较高,特别是用于起升和变幅机构。直接影响人身和设备安全更应如此。另外起升机构的减速机输出端多数要求带齿盘接手或卷筒联轴器直接与卷筒相联,它不仅传递转矩,还要承受较大的径向载荷(相当于卷筒的一端支座)。 运行机构的“三合一”悬挂套装式减速机,
扫一扫咨询微信客服